Subscribe to our newsletter to receive the latest news and events from TWI:

Subscribe >
Skip to content

Thermal Spray Coating Corrosion Mitigation at Biomass Plant

   

Corrosion Mitigation in Biomass Combustion Plant using Thermal Spray Coatings

M A Riley and M D F Harvey

Paper presented at COAL-GEN Europe, Katowice, Poland, 1-4 Sept. 2009.

Abstract

Currently biomass is limited to 4% of feedstock in co-fired power stations because of severe gaseous and salt corrosion, erosion and slagging, which results in shutdowns and high maintenance costs. Recent field trials in a 13.5 MW renewable energy power station combusting pure biomass, indicated that specialist coatings can provide protection of superheater tubes in highly corrosive, high temperature combustion environments. Thermal spray coatings and ceramic sealants were used to protect superheater tubes in high-chlorine biomass combusting environments. The use of coatings resulted in a doubling of the lifetime of the tubes compared to uncoated superheater tubes and allowed the plants to operate at higher temperatures with improved efficiency.

Thermal spray coatings were shown to reduce corrosion, consisting of oxidation and chlorination of the substrate, resulting in increased lifetimes of the tubes. The performance of the coatings correlated to coating composition, coating density and also the presence of sealants. Sealants help to prevent ash-build up and solid particle erosion when used in conjunction with the sprayed coatings. It is thought that sealants may also reduce the rate of diffusion of gaseous species, such as chlorine species, through the coating which may result in improved lifetimes.

The work has implications for biomass combustion, co-firing applications and waste incineration plants and offers the potential for coatings to be used to mitigate corrosion, ash-build up and slagging and ultimately increase plant lifetimes, operating temperatures and efficiency. Testing is required to establish the performance and lifetimes of coated components in various biomass and waste environments.

Introduction

One of the major issues with biomass and waste fuels is their high chlorine content. Due to the potential for severe chlorine-induced corrosion, plant operating temperatures and efficiency are limited to maximise the lifetime of superheater tubes and other boiler components. In some severe environments uncoated carbon steel superheater tubes only last a matter of weeks (Figure 1). To avoid this, operating conditions in waste to energy plants are often limited to gas temperatures of ~600°C in the secondary superheaters and steam temperatures of <400°C to reduce corrosion. Alternatively, expensive weld overlays may be used to prevent corrosion of the carbon steel tubes. However the costs of these materials are significantly more expensive than conventional steel tube. In addition to chlorine and oxygen, other corrosive species, such as sulphur, NOx, SOx, and Na and K salts are also present which can contribute to corrosion and ash build up (Figure 2) where ash build up results in reduced energy efficiency and accelerated corrosion. When soot blowers are used to remove the ash fresh metal can be exposed to the operating environment, resulting in accelerated wall thinning. As with other conventional power plant high temperature oxidation and solid particle erosion are also issues. The aim of the HiCoat project was to develop a number of cost effective thermal spray coatings, sealed with advanced slurries to improve further the coating performance, and mitigate against chlorine induced corrosion, solid particle erosion and ash build up to allow plant operators to increase operating temperatures and energy efficiency, whilst increasing maintenance intervals. Based on this any potential coating should exhibit the following attributes:

  • resistance to a broad range of corrosion processes (e.g. gaseous attack and corrosive salts)
  • resistant to solid particle erosion (from ash particulates within the gas stream)
  • smooth/non-stick to resist ash build up
Fig. 1. Typical chorine induced failure of a super heater tube. Nominal tube diameter, 38mm
Fig. 1. Typical chorine induced failure of a super heater tube. Nominal tube diameter, 38mm
Fig. 2. Example of ash produced in a dedicated MBM biomass plant which sticks to superheater tubes and results in reduced efficiency
Fig. 2. Example of ash produced in a dedicated MBM biomass plant which sticks to superheater tubes and results in reduced efficiency

 

Experimental programme

Coating process

Coatings were applied by a variety of thermal spraying processes including conventional arc spraying, inert gas shrouded arc spraying and high velocity oxy-fuel spraying (HVOF). Powder or wire consumable is heated by oxy-fuel combustion (flame & HVOF) or electrically (arc & plasma) until molten or soft, and projected at speed onto a substrate to form a coating. The density of the coating is dependent on the coating material, the state of the particles (solid/liquid ratio) on impact and the particle velocity which in turn are related to process selection. Examples of conventional and inert gas shrouded arc and HVOF sprayed coatings are shown in Figure 3. The bond between a sprayed coating and the substrate is primarily mechanical (and not metallurgical or fused). Adhesion of the coating to the substrate depends on all of these factors plus the condition of the substrate surface, which must be clean and roughened by grit blasting prior to spraying.

a) inert gas shrouded arc spraying
a) inert gas shrouded arc spraying
b) and HVOF
b) and HVOF
c) spraying
c) spraying

Fig. 3. Examples of Nickel 625 alloy coatings prepared by conventional arc spraying


Conventional arc sprayed coatings were applied using a Metallisation 528 arc spray system (Figure 4). A direct current arc is struck between two continuously fed consumable wire electrodes that form spray particles which are propelled as fine droplets by compressed gas (usually air) at the substrate to build up a coating. The inert gas shrouded arc spray system (PurecoatTM) uses an inert gas e.g. nitrogen or argon and is designed to minimise oxidation in the sprayed coating by shielding the consumable from oxygen during the spraying process, which can lead to a coating with less oxide content and improved performance.
Fig. 4. Arc spraying process
Fig. 4. Arc spraying process

HVOF coatings were prepared using a standard, kerosene-fuelled, JP5000 HVOF system manufactured by Praxair Surface Technologies (Figure 5). The gun design comprises a combustion chamber followed by a converging-diverging nozzle along which the combustion gases are accelerated to supersonic speeds. The HVOF process produces denser coatings, with lower oxide content than the arc spraying process, due to the velocity of the spray particles and reduced time of flight.
Fig. 5. HVOF process
Fig. 5. HVOF process

 

Coating materials

The coatings selected for investigation were based on nickel chromium alloys (Table 1) since such alloys e.g. 50Ni:50Cr are already known to exhibit high temperature oxidation resistance in conventional fossil-fuelled burning power stations. In addition to an approximately 50Ni:50Cr material, Cr3C2-25NiCr was selected for its anticipated combination of high temperature corrosion and wear resistant properties, along with more complex nickel chromium molybdenum alloys which could potentially offer improved high temperature mixed corrosion resistance. Typical examples of as-deposited, nominally 300µm thick, coatings are shown in Figure 3.

Table 1 Details of coating alloy and process combinations evaluated in the study

Coating Type

Manufacturer’s Typical Nominal Composition, wt %

Process

Condition

As-sprayed

Sealant C

Sealant R

NiCrTi

Ni 49, Cr 49, Ti 2

Arc

Inert Gas Shrouded Arc

Cr3C2-25NiCr

CrC 75, Ni 20, Cr 5

HVOF

NiCrMo (alloy C-276)

Ni Bal, Cr 16, Mo 16.5, Fe 5.5, W 4.0

Arc

Inert Gas Shrouded Arc

HVOF

NiCrMo (alloy 625)

Ni Bal, Cr 22, Mo 10, Nb & Ta 3.5

Arc

Inert Gas Shrouded Arc

HVOF


Sealants

Sets of thermal sprayed coatings were also sealed with advanced slurry coatings to reduce ash build up and slagging of the superheater tubes. Monitor Coatings' Moniplex compositions were used to seal the thermal sprayed coatings and provide a smooth finish. The coatings were applied as liquid slurry which flows over the surface of the components to form a dense, pore free coating. The sealants are based on a complex chromia-silica matrix interspersed with hard ceramic particles. Two variants were evaluated: Sealant C (zircon silicate with chromia) and Sealant R (alumina silicate with mixed chromia).

Performance evaluation

Coatings were prepared on 0.5m lengths of 15Mo3 grade carbon steel superheater tube, with a nominal 38mm diameter and 4mm wall thickness. The coated lengths of tube were then welded together at their uncoated ends to form lengths of superheater tube which were installed as operational tubes in superheater two in a dedicated biomass plant burning meat and bone meal (MBM) which was chosen as an example of a particularly aggressive biomass combustion operating environment.

During the 1760 hour test exposure the tubes were subjected to gas temperatures of 700-800°C and steam temperatures of 400-420°C. When MBM is burnt, corrosive species including oxides (CO, CO2, SO2) and Cl2 are produced. Na and K, which are present in the fuel can react with chlorine species to form alkali metal salts NaCl and KCl, which are also extremely corrosive and may exist in a molten state. Chlorine reacts with metal sulphates (such as K3Na(SO4)2) in the ash to produce the alkali metal salts which in turn can react with oxygen and sulphur dioxide to release more chlorine gas.

Post test evaluation

Following removal of the superheater tubes from the plant, the tubes were visually assessed in terms of ash build-up, solid particle erosion and general coating condition. Following this visual assessment the tubes were sectioned, mounted and polished for examination using scanning electron microscopy and analysis using XRD of surface deposits and ash and EDX elemental mapping.

Results

Analysis of deposits on superheater tubes

X-ray diffraction of the surface layers on an uncoated tube (Figure 1) showed they consisted of FeO(OH) and amorphous material. Energy dispersive x-ray analysis also showed the presence of Na and K, presumably due to the high salt content of the MBM. XRD showed the ash (Figure 2) is mainly composed of calcium phosphate (Ca5((PO4)3(OH)) (the mineral component of bone) which is present due to burning cattle carcasses, along with calcium hydrogen chloride phosphate (CaClH2PO4.H2O) and aphthitalite (K3Na(SO4)2).

Performance evaluation of coated superheater tubes

Visual examination

Effects of sealants

In general coatings with sealants exhibited less ash build up and less solid particle erosion (roughening) compared to coatings tested in the as-sprayed condition. In particular, coatings sealed with sealant C (zircon silicate with chromia) performed particularly well in this respect with very little ash build up compared to uncoated tubes and thermally sprayed, unsealed tubes. Sealant R also showed similar characteristics but, in general, more ash build up was observed on coated tubes sealed with sealant R compared to those sealed with sealant C. Where ash was present on sealed tubes, the ash was less adherent than the unsealed tubes.

Effects of coating process and coating material

Coating composition and coating process also had a significant effect on the performance of the coated tubes, with nickel alloy C-276 and 625 alloys appearing to perform better than the NiCrTi and Cr3C2-NiCr coatings. In terms of visual inspection of general coating condition, solid particle erosion and ash build up, the HVOF coatings generally appeared to perform better than the arc sprayed samples. However without sectioning the tubes it was difficult to draw any conclusions about the performance of the various coated tubes. Therefore the samples were sectioned to assess the levels of degradation and evidence of attack of the coating at the substrate-coating interface.

Metallographic examination

NiCrTi coatings

The NiCrTi (similar to 50Ni:50Cr with 2%Ti addition) arc sprayed coatings showed little degradation following the superheater tests (Figure 6a). The as-sprayed coating exhibited a thicker oxide layer (20-30µm) on the surface compared to the NiCrTi sealed coatings and the alloy C-276 and 625 coatings. In both cases there was also degradation at the substrate-NiCrTi coating interface. For the NiCrTi inert gas shrouded arc sprayed coatings without sealant (Figure 6b), significant degradation of the coating had occurred along with delamination at the substrate-coating interface.

a) arc sprayed NiCrTi
a) arc sprayed NiCrTi
b) Inert gas shrouded arc sprayed NiCrTi
b) Inert gas shrouded arc sprayed NiCrTi

Fig. 6. As-deposited, unsealed NiCrTi alloy coatings deposited by (a) conventional and (b) inert gas shrouded arc spraying processes subjected to 1780hours exposure in a dedicated biomass plant

 

Elemental chemical mapping of the as-deposited, unsealed arc (Fig.7a) and inert gas shrouded arc sprayed (Fig.7b) NiCrTi coatings post exposure revealed significant oxidation of the NiCrTi coating and the presence of chlorine species at the substrate-coating interface. Calcium and phosphorous were present on the surface, reflecting ash build up, along with other species including sulphur, silicon, and potassium.

a) as-deposited arc sprayed and
a) as-deposited arc sprayed and
b) inert gas shrouded arc sprayed NiCrTi coatings subjected to 1780hours exposure in a dedicated biomass plant. Nominal coating thickness, 300µm
b) inert gas shrouded arc sprayed NiCrTi coatings subjected to 1780hours exposure in a dedicated biomass plant. Nominal coating thickness, 300µm

Fig. 7. Elemental mapping showing presence of oxygen (middle) and chlorine (right) in

 

Cr3C2-NiCr coatings

The as-deposited, unsealed HVOF deposited Cr3C2-NiCr coatings suffered significant coating thickness reduction (Figure 8a), compared to the sealed Cr3C2-NiCr coatings (Figure 8b). Approximately half the as-deposited coating thickness was lost during the test suggesting severe erosion of the Cr3C2-NiCr coating had occurred. No loss of coating thickness was observed for the sealed coatings and little degradation of the substrate-coating interface was also observed for the sealed Cr3C2-NiCr coatings.

Element mapping of the as-deposited, unsealed Cr3C2-NiCr suggested that significant oxidation of the coating surface and substrate-coating interface had occurred. Chlorine was also present at the substrate-coating interface and was more evident penetrating into the substrate material. Calcium and phosphorous were present on the surface from ash build up, along with other species including sulphur, silicon, and potassium.

a) unsealed Cr3C2-NiCr coating
a) unsealed Cr3C2-NiCr coating
b) sealed (sealant C) Cr3C2-NiCr coating
b) sealed (sealant C) Cr3C2-NiCr coating

Fig. 8. As-deposited, unsealed (a) and sealed (b) Cr3C2-NiCr alloy coatings deposited by HVOF spraying subjected to 1780hours exposure in a dedicated biomass plant



Alloy C-276 coatings

C-276 coatings remained intact after the superheater tests with no evidence of coating degradation or loss (Figure 9). There was evidence of degradation at the substrate-coating interface and this appeared slightly greater for the arc sprayed coatings (Figure 9a and 9b) compared to the HVOF coatings (Figure 9c), suggesting a mechanism of gas penetrating through the coating. For both types of arc sprayed coatings, the degradation at the substrate-coating interface appeared to be slightly greater for the as-deposited, unsealed coatings compared to those sealed with sealant C or sealant R.

a) arc spraying,
a) arc spraying,
b) inert gas shrouded arc spraying and
b) inert gas shrouded arc spraying and
c) HVOF subjected to 1780hours exposure in a dedicated biomass plant
c) HVOF subjected to 1780hours exposure in a dedicated biomass plant

Fig. 9. As-deposited, unsealed C-276 alloy coatings deposited by

 

Element mapping (Figure 10) of as-deposited, unsealed arc, inert gas shrouded arc and HVOF C-276 coatings and sealed arc sprayed C-276 coatings indicates that oxygen and chlorine are present at the substrate-coating interface. The amount of chlorine appears to be lower for HVOF coatings compared to inert gas shrouded and conventional arc sprayed coatings. The amount of chlorine also appears to be lower for sealed arc sprayed coatings compared to unsealed arc sprayed coatings. Similar amounts of oxygen are seen at the interface in all cases for C-276 coatings.

a) arc sprayed C-276
a) arc sprayed C-276
b) inert gas shrouded arc sprayed C-276
b) inert gas shrouded arc sprayed C-276
c) HVOF C-276
c) HVOF C-276
d) Arc sprayed C-276 sealed with sealant C
d) Arc sprayed C-276 sealed with sealant C
e) Arc sprayed C-276 sealed with sealant R
e) Arc sprayed C-276 sealed with sealant R

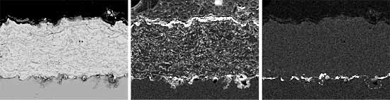
Fig. 10. Elemental mapping showing presence of oxygen (middle) and chlorine (right) species in as-deposited (a) arc, (b) inert gas shrouded arc and (c) HVOF sprayed and sealed (d) and (e) arc sprayed C-276 alloy coatings subjected to 1780hours exposure in a dedicated biomass plant. Nominal coating thickness, 300µm



Alloy Ni625 coatings

For the conventional arc, inert gas shrouded arc and HVOF sprayed alloy Ni625 coatings, the coatings remained intact after the superheater tests with no evidence of coating degradation or loss (Figure 11). As with the C-276 alloy coatings, degradation at the substrate-coating interface was evident for the arc and inert gas shrouded arc sprayed coatings (Figure 11a+b). Very little degradation was observed for the HVOF deposited coatings (Figure 11c).

a) arc spraying,
a) arc spraying,
b) inert gas shrouded arc spraying and
b) inert gas shrouded arc spraying and
c) HVOF subjected to 1780hours exposure in a dedicated biomass plant
c) HVOF subjected to 1780hours exposure in a dedicated biomass plant

Fig. 11. As-deposited, unsealed alloy 625 coatings deposited by

 

Element mapping of as-deposited, unsealed nickel alloy 625 coatings (Figure 12), revealed the presence of oxygen- and chlorine-containing species at the surface of the coatings. Oxygen-containing species were detected in all cases at the substrate-coating interface. The levels of oxygen present at the interface were similar to that observed for the C-276 coatings. Chlorine was detected at the substrate-coating interface of the arc and inert gas shrouded arc deposited coatings. However, the levels of chlorine was lower than those observed for the C-276 coatings (Figure 10). The levels of chlorine detected for the arc sprayed Ni625 coatings were comparable with those observed for HVOF C-276 coatings. No chlorine was detected at the substrate-coating interface for alloy 625 HVOF coatings. (Figure 12c) suggesting that the alloy 625 coatings are better at protecting the substrate-coating interface from attack by chlorine species compared to C-276 coatings.

a) arc sprayed Ni 625 alloy
a) arc sprayed Ni 625 alloy
b) Inert gas shrouded arc sprayed Ni 625 alloy
b) Inert gas shrouded arc sprayed Ni 625 alloy
c) HVOF sprayed Ni625 alloy coatings subjected to 1780hours exposure in a dedicated biomass plant.
c) HVOF sprayed Ni625 alloy coatings subjected to 1780hours exposure in a dedicated biomass plant.

Fig. 12. Elemental mapping showing presence of oxygen (middle) and chlorine (right) species in as-sprayed, unsealed



Discussion

Introduction

All coated samples survived the 1780 hour (~12 weeks) test. Under similar operating conditions uncoated tubes would fail in approximately 6-8 weeks and so the coatings were significantly beneficial. To a first approximation any of the coatings tested would at least double the lifetime of the tubes compared to uncoated tubes. However, evaluation of the coatings indicated that degradation of the coating surface and/or the coating-substrate interface may eventually result in failure. Longer term tests may give further differentiation and would help to identify the most suitable coatings to resist corrosion in biomass combustion plant and hence achieve the most cost-effective solution for maximising the lifetime of the tubes. The results show that the performance of coated superheater tubes appears to be related to coating density (process related), coating composition and the presence of sealants: HVOF sprayed coatings performed better than their arc sprayed equivalents, alloy 625 coatings performed better than C-276 coatings which in turn were better than the NiCrTi and Cr3C2-NiCr coatings, and sealants helped to improve the performance of all coatings by minimising ash/salt build up and solid particle erosion.

Effect of spraying process

In general, less degradation of the HVOF coatings was observed compared to inert gas shrouded arc spraying and conventional arc sprayed coatings and this is probably related to the density of the coatings. Denser coatings have fewer pathways for aggressive gaseous species e.g. oxygen and chlorine, to diffuse through the coatings and therefore reduce the rate of attack by gaseous species at the substrate-coating interface. Oxygen was present at the interface in most cases whereas chlorine was not always present or was present in lower amounts. One explanation may be that oxygen is more mobile than chlorine. However, chlorine is known to be more detrimental to the substrate than oxygen and as a result presents the greatest concern.

Some of the inert gas shrouded arc sprayed coatings, e.g. NiCrTi, exhibited poor performance compared to their conventional arc sprayed equivalents, in terms of oxidation and degradation and spallation at the coating-substrate interface. The inert gas shrouded arc sprayed process uses a nitrogen shroud and thus the coating is deposited with little or low oxygen compared to conventional arc spraying. This suggests that as a result some inert gas shrouded arc sprayed coatings may be more susceptible to high temperature corrosion and oxidation than conventional arc sprayed coatings which already have a significant amount of tenacious and protective oxide present in their structure and may be more stable at higher temperatures. It was also noted that the structure of the as-deposited, unsealed arc sprayed NiCrTi coating pre-exposure is denser and more homogeneous than that of the as-deposited, unsealed inert gas shrouded arc sprayed coating and therefore the inferior microstructure of the inert gas sprayed NiCrTi may explain its poor performance.

Effect of coating composition

Although the C-276 coatings generally performed better than the Ni625 coatings based on visual examination upon removal from the plant, sectioning the coatings revealed that the Ni625 appeared to be better at resisting substrate-coating interface attack than the C-276 coatings. Element mapping of C-276 coatings showed that oxygen and chlorine are both present at the substrate-coating interface. Similar amounts of oxygen are seen at the interface in all cases for C-276 coatings, whereas the amount of chlorine appears to be lower for HVOF coatings compared to inert gas shrouded arc and conventional arc sprayed coatings and also lower for the sealed arc sprayed coatings compared to the unsealed arc sprayed coatings. This result suggests that Cl2 may be less mobile through the coatings than O2, or that there is less present in the combustion environment. Although the levels of oxygen is greater at the interface, chlorine is expected to cause greater degradation at the substrate-coating interface due to its ability to react with iron and chromium to form unstable iron and chromium chlorides. These chlorides then react with oxygen to form either oxychlorides or oxides along with chlorine gas. Corrosion products such as FeCl3 and CrO2Cl2 are volatile species and are highly mobile, redepositing elsewhere, leading to further chloride attack.[Lai, 1990] Chlorine gas may also accelerate the corrosion further. Therefore minimising the amount of chlorine-containing species at the substrate-coating interface is critical in extending the lifetime of coated superheater tubes.

The levels of chlorine detected at the coating/substrate interface for the arc sprayed Ni625 coatings (Figure 12a) were comparable with those observed for HVOF C-276 coatings (Figure 10c). No chlorine was detected at the substrate-coating interface for Ni625 HVOF coatings (Figure 12c). The variation in the amount of chlorine detected by elemental mapping at the substrate-coating interfaces of the C-276 and Ni625 alloy coatings suggests that coating composition and not just coating structure/density has an effect on the levels of degradation at the interface. The difference between the C-276 and Ni625 alloy coatings, suggests that the amount of chromium present in the coatings may have a significant influence on the amount of degradation at the substrate-coating interface, as Ni625 has 22% Cr compared to 16%Cr in C-276, whereas the molybdenum contents are 10% and 16.5% respectively. Possible effects of Nb and W cannot be identified from this test.

Most of the C-276 and alloy 625 coatings performed well and can be considered for use in large scale biomass plants operating at moderate temperatures, e.g. gas temperatures of 700-800°C and steam temperatures of 400-420°C. However there were variations in the performance of these coatings depending on the consumable and process employed and hence further work is required to optimise the performance for a given process cost. Long term testing in a range of biomass/waste combustion environments is required to allow identification of the most cost effective coatings for different plants.

Inert gas shrouded arc sprayed NiCrTi coatings were shown to suffer from excessive oxidation, degradation and spallation. However, conventional arc sprayed NiCrTi coatings may be suitable providing they are sealed by appropriate sealants. Although these coatings have higher amounts of chromium compared to the Ni625 alloys and C-276 alloys, the performance is not as good, indicating that coating performance is not just related to the amount of chromium in the coating, but also to other elements such as Mo, Nb and W. Further work is required to establish the role of these elements in coating performance in various biomass environments, along with the long-term effects of coating embrittlement over time as a result of prolonged exposure above 600°C.

Sealant coatings

From the tests conducted it appears that the use of sealants can improve the performance of thermal spray coatings in biomass plants by minimising ash build up and solid particle erosion. For example, as-deposited, unsealed Cr3C2-NiCr coatings were shown to suffer from severe material loss, through erosion of the coating on the side of the tube exposed to the gas flow, compared to the same coating tested in conjunction with sealants. The presence of sealant can also help to reduce the amount of corrosive species on the surface of the coated tubes, therefore reducing the risk of attack from corrosive salts which may exist in the molten state. In most cases, coatings with sealants performed slightly better than those without when examined visually on removal from the plant. The most extreme example of this is for NiCrTi coatings deposited using arc spraying, where the coating sealed with sealant C performed much better than the as-deposited, unsealed equivalent. Overall sealant C appears give the best performance compared to sealant R, in terms of preventing ash build up on the coatings. In many cases, ash did not stick to sealant C resulting in coatings with very little ash-build up, and good overall condition after the test.

The sealants also seem to offer some benefits in terms of minimising gas diffusion through the coatings. The results of the element mapping of arc sprayed alloy C-276 coatings with and without sealants (Figure 10) show that they do not prevent diffusion of gas through the coatings as both are present at the coating-substrate interface. However, the amount of chlorine detected is significantly lower than that detected for the unsealed coating. Levels of oxygen appear to be comparable for sealed and non-sealed samples. Further work testing is required to assess whether the sealants may help to reduce corrosion at the substrate-coating interface. For this relatively short term test, it appears that sealants reduce the rate of gas diffusion through the coating. By minimising the ash at the surface, sealants may also contribute to protecting the coatings from attack by reducing the amount of alkali metal compounds (such as K3Na(SO4)2) at the surface which form alkali metal salts. Longer term tests are required to assess the benefit of sealants in terms of gaseous corrosion attack although it has been shown that they exhibit significant benefits in terms of minimising ash build up.

Conclusions

  • The chromium containing nickel alloy coatings tested protected the superheater tubes for the test period of ~12 weeks, at least doubling the lifetime compared to uncoated tubes which typically fail in 6-8 weeks. The tests wereconducted in a MBM biomass plant operating at a gas temperature of 700-800°C and a steam temperature of 400-420°C.
  • HVOF sprayed coatings provided a better protection of the underlying superheater tubes compared to arc sprayed coatings of the same material due to their increased density.
  • Sealants helped improve the performance of all the thermal sprayed coatings evaluated in this project by reducing the amount of ash deposited on the surface of the tubes and minimising solid particle erosion. They did not preventcorrosion at the substrate-coating interface but may help to reduce the passage of corrosive species though the coatings.
  • Alloy C-276 alloy coatings gave the best overall performance based on visual assessment compared to other alloys, but alloy 625 gave best protection against attack at the substrate-coating interface.
  • NiCrTi coatings deposited by arc spraying and Cr3C2-NiCr coatings deposited by HVOF may be considered for use in large scale biomass plants operating at moderate temperatures but must be sealed to prevent coating attack viaoxidation or erosion.

Acknowledgements

The work was undertaken as part of the HiCoat project on 'High Corrosion Resistant Coatings for Biomass Plant' funded by the UK Technology Strategy Board, which included the following partners: TWI, Energy Power Resources, Talbotts Biomass Heating, Metallisation Ltd, Ecka Granules Metal Powders Ltd, Monitor Coatings Ltd and ADAS. The authors would like to thank the consortium members for their contributions to the project.

References

HiCoat (High Corrosion Resistant Coatings for Biomass Plant) - Final report 16871/Final/08 for Technology Strategy Board project No. TP/4/MHP/6/1/22066.

Lai GY, 'High Temperature Corrosion and Materials Applications', ASM International 2007 (ISBN-13: 978-0-87170-853-3 / ISBN-10: 0-87170-853-1).

For more information please email:


contactus@twi.co.uk